- -20%
![]() |
Termin realizacji zamówienia 10-28 dni roboczych Zapraszamy do kontaktu z działem BOK |
Polityka prywatności - Zobacz szczegóły
Czas i koszty dostawy - Zobacz szczegóły
Reklamacje i zwroty - Zobacz szczegóły
Elektropompa ZS 125 włoskiej marki Osip przeznaczona do cyrkulacji cieczy chłodzących oraz smarujących, cieczy czystych, nieabrazyjnych, bez zawartości cząstek stałych we frezarkach, tokarkach oraz innych obrabiarkach metali.
Pompa Osip ZS 125 należy do serii pomp do chłodziwa stosowanych do cyrkulacji emulsji chłodzących oraz cieczy smarujących. Pompy te są popularnie wykorzystywane w urządzeniach obróbki tworzyw sztucznych, metali żelaznych i nieżelaznych oraz szkła. Producent rekomenduje, by pompa służyła do tłoczenia chłodziwa po wstępnej filtracji.
Pomy z serii ZS Osip wyróżniają się wysoką trwałością oraz odpornością na uszkodzenia i korozję. Korpus w wykonaniu z aluminium, wirnik – ze stali nierdzewnej. Przystosowane do pracy ciągłej.
W ofercie sklepu pompa ZS 125 OSIP dostępna w różnych długościach do wyboru:
W standardzie pompa chłodziwa ZS 125 Osip z silnikiem trójfazowym (400V), na życzenie klienta oferujemy również wersję z silnikiem jednofazowym (230V). Pompa na zamówienie – czas realizacji do 4 tygodni roboczych (do potwierdzenia przy składaniu zamówienia).
Montaż pompy: Pompa powinna być zamontowana w taki sposób, aby wlot pompy był kilka centymetrów nad dnem zbiornika. Zapobiega to pompowaniu razem z medium osadzonych na dnie cząstek.

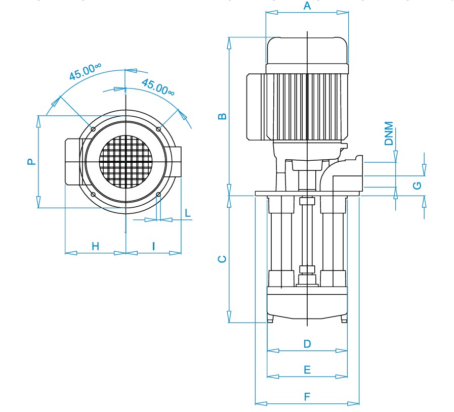
Wymiary: DNM = F1 1/4", A = 140, B = 275, C = 220-270-350-440-550, D = 139, E = 140, F = 180, G = 34, H = 105, I = 98, L = 7, P = 160